Company Profile
Product Paramenters
|
Type
|
GL-B190B-EC-M0
|
Nominal Speed
|
4000+5%RPM
|
|
|
Motor
|
EC059AC230V040W
|
Max. Input Power
|
115W
|
|
|
Phase
|
1~
|
Max. Input Current
|
0.9A
|
|
|
Nominal Voltage
|
230VAC
|
Sound level
|
70dB(A)
|
|
|
Nominal Voltage Range
|
184~276VAC
|
Min.Ambient Temperature
|
-25℃
|
|
|
Frequency
|
50/60 Hz
|
Max.Ambient Temperature
|
60℃
|
|
|
Method of Obtaining Data
|
FA
|
ML=Max. load ME=Max, effciency FA=Free Air
|
||
EC Backward Curved Centrifugal Fan Air Performance and Outline Drawing
1.Accessory part:Inlet Ring;2.M4 Screw, Max. Screw-in Depth 5 mm;3.AC Cable PVC 3×AWG20;4.DC Cable PVC 4×AWG24;
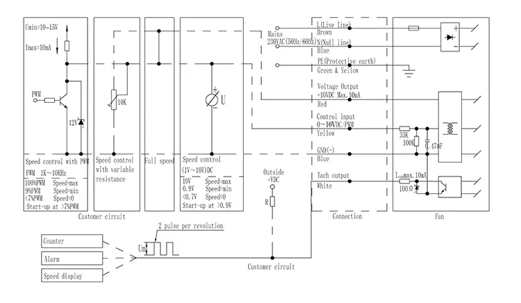
EC Backward Curved Centrifugal Fan Wiring Diagram
Power Line:Green/ Yellow:Protective Earth;Brown:Power supply, live wire see nameplate for voltage range;Blue:Power supply, neutral wire see nameplate for voltage range;
Control Line:Red:Fixed voltage output 10 VDC ±5%,Imax.10mA,power supply for external devices(e.g.potentiometers);SELV;Yellow:0-10V/PWM(Max. amplitude of PWM 10V)control input;SELV;White:Tach output,2 pulse per revolution,(pulses can be customized,or changed to RD signal);SELV;Blue:Reference ground for control interface;SELV;
Related Product
|
Model
Part No.
|
Rated Voltage
VAC
|
Air Flow
m³/h
|
Rated Speed
RPM
|
Power Input
W
|
Sound Level
dB(A)
|
|
GL-B250D-EC-F05
|
230
|
2400
|
3900
|
400
|
82
|
|
GL-B250E-EC-05
|
230
|
2800
|
3450
|
520
|
86
|
|
GL-B250E-EC-H5
|
230
|
3200
|
3150
|
750
|
86
|
|
GY-B250E-EC-05
|
380
|
3400
|
3900
|
750
|
92
|
Our Advantages
Customer Service
Fast Delivery
Industry-leading Prototype Delivery Cycle
Deep Customization
Deep Customization
Product Customization;Propose System Solutions
Various Support
Various Support
CNAS Testing Laboratory;Multilingual Technology Files;Global Services;Prompt Response
Global Services
Global Service Network
FAQ
Q: Who are we?
A: Blauberg Motoren, part of Germany’s Blauberg Group, manufactures fans and motors. The Group offers a wide range of ventilation products—from domestic to industrial—and specializes in providing customized solutions and parts to meet diverse client needs with an optimal balance of price and quality. Q: Why choose us? A: Large-scale producer of fans with modern facilities, high annual capacity, and a strong focus on customized solutions and customer support. Q: Wonder if you accept small orders? A: Do not worry. Feel free to contact us .In order to get more orders and give our clients more convener ,we accept small order. Q: Can you do OEM for me?
A: We accept all OEM orders,just contact us and give me your design.we will offer you a reasonable price and make samples for you. Q: What’s your payment terms ?
A: By T/T,LC AT SIGHT,30% deposit in advance, balance 70% before shipment.



















Reviews
There are no reviews yet.